摘 要:大口徑自來水流量計通常運用在源水計量和出廠水計量兩個方面,其中,源水計量是水廠當中供水計量的起點環節。水廠里的源水通常都是通過源水管理經過加壓將源水輸送到水廠內的沉淀池內,用于計量源水的流量計將會被安裝在源水輸水管線的各個環節之上。本文將對大口徑自來水流量計的安裝與管理進行全面的分析,希望本文對相關技術人員有所幫助。
前 言
水廠運轉質量的評價指標住主要有兩個方面,即:出廠水計量數據和源水計量數據。通過評價比較水廠的出廠水計量和供水營業資費,能夠對水廠的管理和運轉進行全面的分析評定,進而得出出廠水計量供水的關鍵要素。
1 大口徑自來水流量計安全問題全面分析
隨著科學技術的進一步發展,電磁流量計和超聲流量計逐漸取代了傳統的供水計量設備,現已成為了當前*為主流的供水計量設備。兩種不同技術的流量設備都具有內部無可動件、壓損為零的設備優勢,因此得到了廣大水廠單位的青睞。
但是,到底選擇哪種計量設備,還需要根據水廠的實際綜合條件來取代,其選擇對比方式請見表 1:

針對大口徑供水計量設備的特點,筆者通過全面比較,推薦的流量計選型安裝方案為:將兩種不同技術特點自來水流量計串聯安裝在同一供水線路的相同位置,讓這兩臺計量設備互相監督管理,也正是由于這兩臺計量設備的測流原理不一樣,因此在進行同時測試時不會互相受到影響,進而能對*終檢測結果進行全面的分析研究。所以使用電磁計量設備和超聲計量設備進行串聯安裝是*佳的安裝方案。
當自來水流量計設備被*終選定之后,隨后的工作就是將其安裝到位并對其進行全面的管理。一般情況下,大口徑供水計量裝置的安裝都是“一裝定終身”的,也就是說一旦將其安裝到位,若有失誤那么損失將是多方面、大面積的,對水廠的經濟框架也將形成一定的沖擊效應。筆者經過實踐工作和分析相關文獻資料發現,流量計安裝過程中*為常見的問題就是:在設計安裝位置時,設計人員將流量計說明書中的前后直管段要求當成是安裝的“標準要求”,把一些原本可以更好安裝的流量計勉強安裝在了一些測量較差的位置之上。
無論是電磁流量計還是超聲流量計均屬于速度型流量裝置,速度型流量裝置的技術基礎就是假設被測試流體的流動速度狀態是處于紊流狀態之下,進而按照被測流體在紊流狀態之下的分布曲線數據換算出被測流體的平均流速,然后再乘以管道的流通面*終得出流體的標準流量數據。如果流體在經過流量計時整體流場很不穩定,那么流體的當前分布和在紊流狀態下的流速分布曲線數據將會大不一樣,所以計量設備的流量值測定則會出現一定的偏移。這也就是速度型流量計對前后直管有著一定的長度要求。
技術人員在安裝流量計時,都需要準確得到計量設備對前后直管的詳細長度長度要求,而目前多數流量計生產廠家都注意到了這一點,進而滿足了這方面的要求,在流量計的出場說明書上強調了流量計對前后直管的長度。
筆者在這里假設一個流量計安裝場景,進而對流量計的安全進行一個多角度的分析了解:在一個供水管道之上,如果在流量計前后安裝一個閥門,當流體流經閥門時會對整個流場產生一定的影響,那么閥門與流量計之間的合理安全距離是多少呢?眾所周知:不同型號、不同管型對流場影響程度都是不一樣的;就算是確定了閥門類型,閥門的開度不一樣對流場的影響程度也大不相同。因此則可以得出這樣的結論:在安裝速度型流量計時,對前后直管的要求不應該是定值,而是應該在條件允許的情況之下直管長度越長越好。若只是更加流量計安裝說明書上對直管的實際要求,那么通常情況下直管的長度都是不達標的。我國的《超聲流量計》和《超聲計量測定天然氣流量》均指出:大口徑的流量測定計算應該根據直管長度和流體自身阻流形式來進行確定,然后前后直管的長度應該保持在五倍管道直徑以上是*佳的。但是在實際測量過程中,應該重點分析流量計前后阻流件的型號和管道流體分布的實際狀態。在這里我們應該注重的一點是:流量計前后直管的長度應該在允許范圍內越長越好。


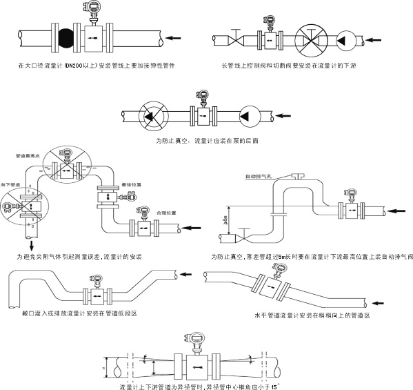
3、流量計在管線上的安裝要求

4、流量計安裝時注意事項
a、安裝尺寸一定要計算準確,否則容易泄露或安裝不上。
b、流體流向必須與傳感器表面上的流向箭頭保持一致。
c、流量計的電極軸線必須近似水平,否則影響測量精度。
d、傳感器兩邊的法蘭必須保持平行否則容易泄露。
e、為了避免在安裝后形成旋渦流動,應保證工藝配管、密封件、流量計同軸連接不能錯開。
f、安裝流量計時,嚴禁在緊靠流量計法蘭處電焊施工,以免燒傷流量計襯里。
g、對不同性質的工藝管道,應采用相應的接地方式(見傳感器接地)。
h、對于腐蝕性介質,zui好應垂直安裝,被測介質自下往上流動,這樣可以避免固體顆粒在流量計管道中沉積,使襯里腐蝕均勻,延長使用壽命。
i、對于測量管口徑大于200mm,為了方便,可采用伸縮頭。
2 大口徑自來水流量計的管理問題探析
除了上述一些安裝過程中的客觀影響因素,一些人為或者是管理上的問題也應該得到我們的重視,下列一些人為管理問題就是筆者經過實踐工作和分析相關文獻資料總結得出的:
(1)流量計內部的轉換器計算系數與出場矯正的數據出現了差異。
(2)電磁流量計和超聲流量計均需要配置不間斷電源,但是在實際當中均會出現斷電停測的情況,進而影響到整體測量數據的不穩定性。
(3)采用開放式安裝,進而讓流量計出現測量失穩和誤動的可能性增大。
(4)對于流量計數據的管理存在漏洞,一些原始數據無法被查閱,進而出現前后數據分析脫節的問題。
(5)流量計檢測數據沒有定期送檢或檢驗數據的標準值,導致示值出現偏移現象。
(6)儀表井出現滲水問題,進而導致流量計中的傳感器在長期受到侵泡后失靈。
(7)流量計的安裝高于管線的計量高點,流體氣泡聚集形成不滿管現象,導致流量計無法充分完成測量工作。
(8)受到外界磁場的干擾,如水泵設備、高壓線路等,進而對測量數據造成干擾。
(9)外夾式超聲流量計中的轉換器由于震動或是人為操作的方式導致出現位移。
(10)電磁流量計內部的污垢積累較為嚴重,從而導致計量設備儀表出現失準問題。
從而可見,水廠單位為了促進自身的發展,做好源水數據分析和出廠水計量工作,對其進行裝表計量只是做好了*個階段的工作,想要做好全面的供水計量,就必須在后續的時間內定期開展檢修巡線、按期溯源,進而讓流量計能夠正常溫度的運轉。其中安全溯源就是保障流量計計量準確性的關鍵工作。
把供水管道上的流量計拆卸下來送檢是*能保障流量計溯源質量的方式,但是對于大口徑的供水管道來說,將流量計拆卸下來送檢是更不就不可能的,就算條件允許能夠送檢,那么水廠將會產生較大的經濟損失,再加上供水行業的特殊性,一些流量計安裝在極為復雜的環境當中,想要將其拆卸送檢 99%是不可能的。
相對于其他型號的流量計,外夾式超聲流量計的拆卸和安裝就比較方便,若安裝環境不復雜,則多數情況下都是可以送檢的,但是在送檢時極容易出現一個問題:那么就是無法進行配套送檢。有些水廠單位在現場配套的時大口徑的換能器,但是送檢時則選擇的是小口徑的換能器,因此送檢結果是不能充分驗證實際口徑的流量數據的。因此,在送檢過程中應該特別注重主機與現場轉換器之間的配套送檢,并檢驗送檢管徑與實際管徑是否一致。
電磁流量計的送檢機會是非常低的,大多數工作人員都是采用在線校準的方式來對大口徑的電磁流量計進行量值溯源處理。筆者認為*為可靠的方式就是使用外夾式超聲流量計對其進行定點量傳。但是還有部分工作人員對該技術保持懷疑態度,其理由是:外夾式超聲流量計的準確通常低于電磁流量計,只有同一等級的流量計,不然的話定點量傳的準確度不能得到保障。
在這里我們其實可以參考長度計量的量傳原則:卡尺和卷尺都屬于精密的長度計量器具,但是兩者之間要如何校準呢?不是使用比兩種計量器具更加*的器具,而是使用一組簡單可靠、穩定性高的“量體”。眾所周知,流量計的準確度就是指全部量程都必須充分滿足*大誤差值,如果確定一個高度的流量點,那么流量計的準確度就將提高一個等級。因此,在實際計量過程中必須先確定一個計量工作點。另外,想要做好大口徑供水計量電磁流量計的在線校準工作,還應該做好以下三方面的工作:
(1)咨詢或邀請有經驗的計量技術人員,對管線現場進行實地勘察。
(2)聘請第三方計量檢定人員到場,開展聯合在線校準工作。
(3)確保標準流量計在*近時間段內的有效性和標準性。
3 結束語
總而言之,只有做好大口徑自來水流量計的安全和后期管理工作,才能夠進一步提高水廠工作的質量,為水廠后續的經營發展打下堅持的工作基礎,促進供水行業的進一步高速發展。

水平安裝金屬管轉子流量計
污泥流量計
金屬管浮子流量計
鹽酸流量計
垂直安裝金屬管浮子流量計
硫酸流量計
掃一掃關注我們